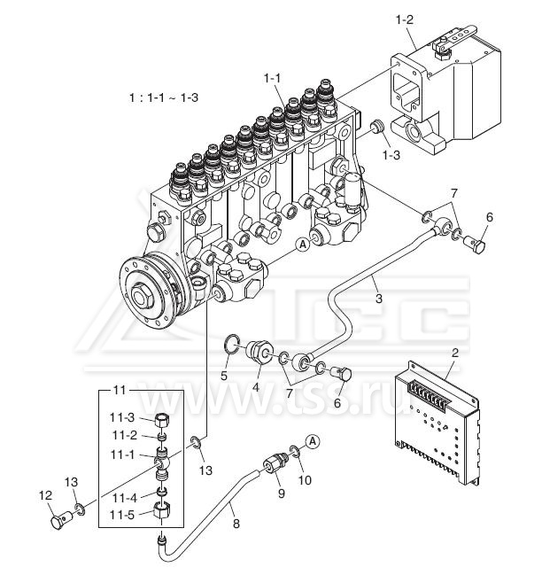
Топливный насос высокого давления

Топливный насос высокого давления

№ поз.

Номер

Part name

Наименование

К-во

Примеч.

DP180LB

DP180LA

1

400912-00027

INJECTION PUMP ASS'Y

Топливный насос высокого давления в сборе

1

1

Поз.

1-1…1-3

1-1

65.11101-7302

PUMP ; INJECTION

Топливный насос высокого давления

1

1

 

1-2

65.11501-7006C

GOVERNOR ASS'Y

Регулятор оборотов электронный

1

1

 

1-3

65.90310-0129

SCREW ; PLUG

Пробка резьбовая

1

1

 

2

300611-00683A

CONTROLLER

Контроллер регулятора оборотов

1

1

 

3

65.05701-5357

PIPE ; RETURN

Трубка масляная подачи масла

1

1

 

4

65.98130-0151

ADAPTER ; INJECTION PUMP RETURN

Штуцер масляной трубки

1

1

 

5

06.56190-0726

RING ; SEAL

Шайба уплотнительная

1

1

 

6

06.78144-2204

SCREW ; HOLLOW

Полый болт углового соединения

2

2

 

7

06.56190-0706

RING ; SEAL A14x20

Шайба уплотнительная А14х20

4

4

 

8

420204-00026

PIPE ; FUEL

Трубка соединительная выходов подкачивающих топливных насосов

1

1

 

9

06.71010-0213

FITTING ; PIPE

Наконечник соединительной трубки подкачивающих топливных насосов

1

1

 

10

06.56190-0706

RING ; SEAL A14x20

Шайба уплотнительная А14х20

1

1

 

11

430228-00012

BANJO UNION ASS'Y

Фитинг углового соединения в сборе

1

1

Поз.

11-1…11-5

11-1

430228-00013

UNION ; BANJO

Фитинг углового соединения

1

1

 

11-2

06.71024-0107

RING ; DIE

Втулка обжимная

1

1

 

11-3

06.71030-8113

NUT ; UNION

Гайка обжимная

1

1

 

11-4

06.71024-0108

RING ; DIE

Втулка обжимная

1

1

 

11-5

06.71030-8114

NUT ; UNION

Гайка обжимная

1

1

 

12

06.78144-2204

SCREW ; HOLLOW

Полый болт углового соединения

1

1

 

13

06.56190-0706

RING ; SEAL A14x20

Шайба уплотнительная А14х20

2

2

 


×
Оставаясь на сайте, вы соглашаетесь на использование файлов куки и передачей данных службам веб-аналитики
Принять