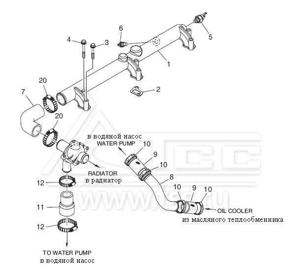
Патрубки системы охлаждения P086TI

Патрубки системы охлаждения P086TI

№ поз.

Номер

Part name

Наименование

К-во

Примеч.

D1146T

P086TI

1

420211-00320

PIPE ; COOLING WATER

Коллектор водяной

 

1

 

2

65.06903A0011

GASKET ; COOLING WATER PIPE

Прокладка водяного коллектора

 

3

 

3

06.01923-3122

BOLT ASS'Y M8x55

Болт с шестигранной головкой М8х55

 

3

 

4

06.01923-3124

BOLT ASS'Y M8x65

Болт с шестигранной головкой М8х65

 

3

 

5

66.27435-6008

SWITCH ; THERMO

Реле температуры воды

 

1

 

6

65.27405-5005

SENSOR ; TEMPERATURE

Датчик температуры воды

 

1

 

7

65.96301-0257

HOSE ; RUBBER

Рукав резиновый коленчатый

 

1

 

8

65.06301-0083

PIPE ; COOLING WATER

Патрубок выходной масляного теплообменника

 

1

 

9

04.27405-1908A

HOSE ; RUBBER M50x62x80

Рукав соединительный резиновый

М50х62х80

 

2

 

10

06.67020-0109

CLAMP ; HOSE

Хомут

 

4

 

11

65.96301-0258

HOSE ; RUBBER

Рукав соединительный резиновый

 

1

 

12

06.67020-0106

CLAMP ; HOSE

Хомут

 

2

 

20

06.67020-0109

CLAMP ; HOSE

Хомут

 

2

 


×
Оставаясь на сайте, вы соглашаетесь на использование файлов куки и передачей данных службам веб-аналитики
Принять